专注分度盘/转台生产厂家精益求精 追求卓越 品质保障
全国咨询热线:13661630544
热门关键词: 产品中心
产品中心
联系我们

【 微信扫码咨询 】

13661630544

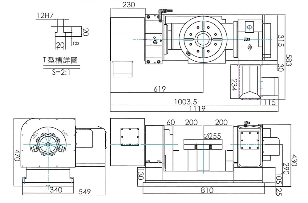
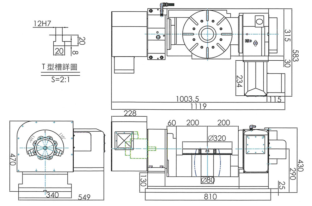
四五轴油刹

TFH-255|TFH-320|

在线咨询全国热线
13661630544

TFH-255|

2.jpg

TFH-320|

1.jpg

4b057518-5aa1-40ce-836d-5f2ec84ca907.jpg

TFH-255|TFH-320

本文标签:
在线客服
联系方式

热线电话

863745703

上班时间

周一到周六

公司电话

13661630544

二维码
线