专注分度盘/转台生产厂家精益求精 追求卓越 品质保障
全国咨询热线:13661630544
热门关键词: 产品中心
产品中心
联系我们

【 微信扫码咨询 】

13661630544

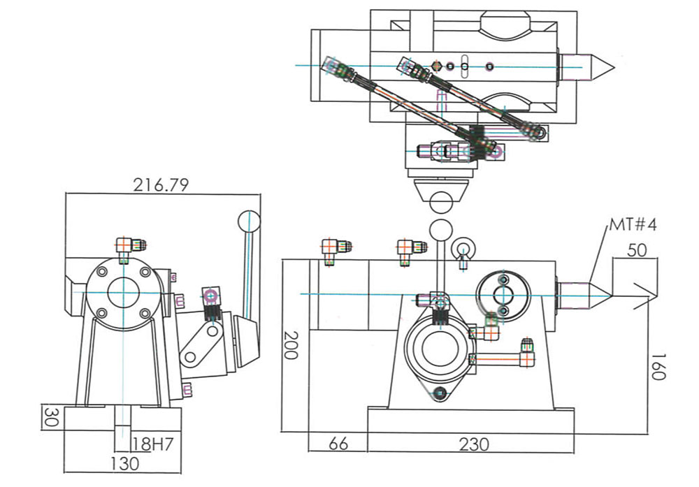
油压顶针尾座

HTC-160|HTD-210|

在线咨询全国热线
13661630544

HTC-160|

1.jpg

HTD-210|

2.jpg

本文标签:
在线客服
联系方式

热线电话

863745703

上班时间

周一到周六

公司电话

13661630544

二维码
线